Парогенератор мазутный 2000 кг 130° C 0,17 МПа в Челябинске

  • Стабильная выработка сухого пара независимо от нагрузки котла
  • Высокая надежность конструкции благодаря отсутствию температурных расширений
  • Возможность подпитки котла даже холодной водой +5 ºС
Изготовим
под заказ
Цена с НДС на парогенератор мазутный 2000 кг 130° C 0,17 МПа с доставкой в
от 0 рублей
Условия в
В наличии на складе
Доставка ТК по России и Казахстану
Безналичный расчет
Есть в наличии
Можно купить в лизинг
Парогенератор на мазуте 2000 кг в час
Парогенератор 2000 кг в час на мазуте
Парогенератор мазутный 2000 кг в час
Мазутный парогенератор 2000 кг в час
Парогенератор 2000 кг на мазуте промышленный
Промышленный парогенератор 2000 кг на мазуте
Парогенератор на отработанном масле 2000 кг час
Парогенератор 2000 кг час на отработанном масле
Парогенератор на отработке 2000 кг в час изготовление
Изготовление парогенератора на отработке 2000 кг в час
Парогенераторы на мазуте 2000 кг производство
Производство парогенераторов на мазуте 2000 кг
Парогенератор на мазуте 2000 кг в час
Парогенератор мазутный 2000 кг в час
Парогенератор 2000 кг на мазуте промышленный
Парогенератор на отработанном масле 2000 кг час
Парогенератор на отработке 2000 кг в час изготовление
Парогенераторы на мазуте 2000 кг производство
Видеообзор
Производительность 2000 кг/ч
Топливо Жидкое, Мазут
Температура пара, не более 130 °С
Давление пара, не более 0.17 МПа
Технические
характеристики
Описание
товара
Комплект
поставки
Дополнительное
оборудование
Монтаж и схемы
подключения
Сертификаты
и гарантии

Технические характеристики мазутного парогенератора 2000 кг 130 °С

Тип Парогенератор
Вид топки Мазутная горелка
Конструкция котла Жаротрубный
Производительность 2000 кг/ч
Производительность 2 т/ч
Максимальная тепловая мощность 1.5 МВт
Диапазон регулирования мощности 40-100 %
Топливо Жидкое, Мазут
Низшая теплота сгорания проектного топлива 9260 кКал/кг
КПД котла на МАЗУТЕ, не менее 90 %
Расход МАЗУТА при максимальной нагрузке котла 155 кг/ч
Расход условного топлива 205 кг/ч
Температура пара, не более 130 °С
Давление пара, не более 0.17 МПа
Давление пара, не более 1.7 кгс/см²
Давление пара, не более 1.7 бар
Полный объем котла 5.17 м³
Объем паровой части 0.48 м³
Аэродинамическое сопротивление 69 (6.9) Па (мм. вод. ст.)
Тяга Естественная
Объем топочной камеры 2.91 м³
Размер топочной камеры, диаметр*глубина 1195х2600 мм
Присоединительные размеры выхода пара 200 Ду
Присоединительные размеры по водяному тракту 32 Ду
Присоединительные размеры по дымовым газам / дымовая труба 500 Ду
Габаритные размеры котла, длина*ширина*высота 5250х2150х2850 мм
Масса 5100 кг
Марка STEAMEXPERT
Энергоэффективность Высокая
Бренд STEAMEXPERT
Чертеж мазутного парогенератора 2000 кг 130 С
Мазутный парогенератор 2000 кг 130 С чертеж
Парогенератор 2000 кг 130 С на мазуте чертеж
Чертеж парогенератора 2000 кг 130 С на мазуте

Конструкция и преимущества парогенератора STEAMEXPERT

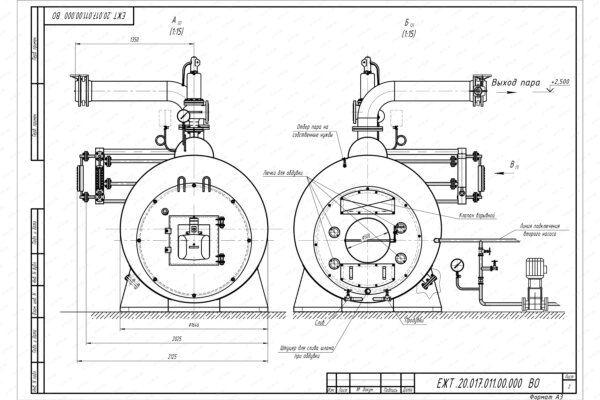
Промышленный парогенератор 2000 кг в час на мазуте с температурой пара 130 С марки STEAMEXPERT – выполняется напольной горизонтальной жаротрубной конструкцией. Сам котельный блок состоит из двух обечаек разного диаметра, вставленных одна в другую и соединенных между собой фланцами. Пространство между обечайками заполняется водой. В верхней части котла устанавливается полуцилиндр - это паросборная камера в которой собирается и сепарируется пар.

Обечайка меньшего диаметра (внутренняя) – это жаровая труба. В передней части жаровой трубы размещена топочная часть с отверстием под горелку, в задней части - конвективный пучок труб.

Благодаря большому объему нагреваемой в котле воды и зеркалу испарения, жаротрубный мазутный парогенератор ПГ 2000 М с температурой пара 130 С имеет следующие преимущества:

  • потребитель получает сухой пар. Сепарационные устройства препятствуют выносу капель воды с зеркала испарения и капель конденсата образующихся на внутренних стенках паропроводов мазутного котла;
  • независимо от нагрузки происходит бесперебойная подача насыщенного пара;
  • парогенератор пар 2000 кг час на мазутеЧелябинск не боится подпитки даже холодной водой;
  • тепловые расширения металла минимальны поэтому жаротрубный паровой генератор обладает высокой надежностью и долговечностью.

Для удобства обслуживания в процессе эксплуатации в конструкции котла предусмотрены следующие технические решения:

  • наружные сажистые отложения очищаются системой обдувки конвективного пакета паром прямо в процессе работы без остановки котла. Для осмотра конвективных поверхностей нагрева, в задней части газоплотный цилиндрический парогенератор КП 2000 на мазуте и отработанном масле имеет люк для очистки;
  • в задней части котла устанавливается продувочный штуцер Ду 25 для удаления образующегося в котле шлама;
  • на паросборной камере и водомерной колонке установлен вентиль Ду 15 для спуска воздуха при подготовке к работе.
Паровой котел газовый с дымовой трубой

К фронтовой плите котельного блока крепится горелка для подачи топлива в топку котла через амбразуру. Промышленный парогенератор Е 2.0 0.17 на мазуте и отработке работает с длинофакельными горелками ILKA.

На задней крышке котла в основании дымовой трубы выполнен предохранительный взрывной клапан.

Дымовая труба может проходить как по наружной стене помещения, так и через кровлю котельного помещения.

Производственный стационарный не поднадзорный парогенератор steam 2000 на мазуте и отработанном масле российского производства подпитывается из питательного бака через электронасос, соединительную арматуру.

Для подпитки желательно устанавливать два насоса – один рабочий и второй резервный.

На боковой части корпуса устанавливается водомерная колонка (датчик уровней воды) и два указателя уровня, связанная с паровым и водяным пространством парогенераторной установки соединительными трубками.

Применение парогенераторов

Наши российские жаротрубные мазутные парогенераторы низкого давления 0.17 МПа производительностью 2000 кг пара применяют при производстве ЖБИ изделий, для изготовления пенопласта, химические и фармацевтические предприятия, строительные организации, бетонные заводы, больницы, общественные заведения, воинские части, автоколонны, ДСУ, бани, предприятия нефтегазовой, кожевенной, перерабатывающей промышленности. В пищевой промышленности жаротрубные парогенераторы 2 т на отработке используют для разморозки, подогрева, пастеризации, стерилизации тары такие предприятия, как спиртзаводы, молочные заводы, птицефабрики для тепловой обработки кормов и ошпаривания птиц, мясокомбинаты и консервные заводы, хлебозаводы, мелькомбинаты, маслосырзаводы, свинокомплексы.

Монтаж котла
Газовый паровой котел схема

Стальной горизонтальный парогенератор 2000 кг в час в отработанном масле для производства пара поставляется блоками максимальной заводской готовности. Котельный блок устанавливается в котельной на специально подготовленную ровную поверхность. Котельный блок подсоединяется по воде, устанавливается запорная арматура на подводящем трубопроводе и отводящем паропроводе, устанавливаются предохранительные клапаны и контрольно-измерительные приборы. Подключается горелка и автоматика. Типовые монтажные схемы вы можете изучить в разделе схемы подключения данного товара.

Чтобы перевести парогенератор КПа на мазуте теплопроизводительность 2000 кг в час в водогрейный режим достаточно изменить схему подключения и установить другие предохранительные клапана.

Купить парогенератор ПГ 2000 М 130 С на мазуте

Для того чтобы купить промышленный парогенератор 2000 кг пара в час на отработке, давлением 0.17 МПа и температурой 130 С в Челябинске вы можете сделать заявку в отдел сбыта по телефону 8-800-700-06-43, либо оформить заявку через сайт или почту. Менеджеры дадут консультацию по подбору вспомогательного оборудования для выбранных вами моделей и рассчитают стоимость доставки. Доставка до вашего населенного пункта может осуществляться авто, железнодорожным и речным транспортом.

Если вы затрудняетесь с выбором нужной паропроизводительности, мы можем осуществить подбор, для этого нужно заполнить опросный лист или описать ваш техпроцесс.

Комплект поставки мазутного парогенератора 2000 кг 130 °С

Цена мазутного парогенератора 2000 кг 130 °С включает в себя запорную арматуру и КИП в пределах котла, вентилятор поддува и предохранительные клапаны. Ниже приведена подробная информация.

Дополнительное оборудование мазутного парогенератора 2000 кг 130 °С

Для эффективной и надежной работы мазутного парогенератора 2000 кг 130 °С вам потребуется дополнительное оборудование - насос. Мы предлагаем рассмотреть типовые варианты комплектации.

В случае если у вас на объекте имеется насосное оборудование, мы можем проверить совместимость мазутного парогенератора 2000 кг 130 °С нашего производства и вашего оборудования.

По необходимости устанавливаются золоуловители.

Типовую схему монтажа котла вы можете посмотреть во вкладке схемы подключения.

Монтаж и схемы подключения мазутного парогенератора 2000 кг 130 °С

Жаротрубный парогенератор мазутный 2000 кг 130° C 0,17 МПа, предназначен для получения насыщенного пара температурой не более 130 °С и давлением не более 0,17 (1,7) МПа (кгс/cм²) для технологических целей в производстве. Устанавливается в производственных и промышленных котельных.

Монтаж и подключение мазутного парогенератора 2000 кг 130 °С

План расстановки оборудования в паровой котельной

Для правильного подключения мазутного парогенератора 2000 кг 130 °С в котельной необходимо оставить проемы для обслуживания оборудования во время эксплуатации. Эти расстояния рекомендованы СНИП II-35-76. На данной схеме представлены их размеры. Кроме того мы составили примерный план, как можно произвести расположение подключение оборудования, а также указали перечень минимально необходимого вспомогательного оборудования для работы котла.

К вспомогательному оборудованию при работе мазутного парогенератора 2000 кг 130 °С относятся:

  • питательные насосы (1 рабочий, 2 резервный);
  • бак запаса воды;
  • охладитель проб отбора воды;
  • система водоподготовки котловой воды;
  • горелочное устройство;
  • автоматика котла.

Водоподготовительная установка подбирается на основе данных химического анализа воды, проводимого специализированной лабораторией.

Система питания мазутного парогенератора 2000 кг 130 °С

Система питания котла

При работе котла питание водой мазутного парогенератора 2000 кг 130 °С производится через штуцер.

Подпитка котла ведется из питательного бака через насос, соединительную арматуру. На трубопроводе подпитки котла водой должно быть установлено запорное устройство и обратный клапан. Запорное устройство должно располагаться между котлом и обратным клапаном.

Для подпитки устанавливается не менее двух насосов с электроприводом. На стороне нагнетания каждого центробежного насоса до запорного органа должен быть установлен обратный клапан.

На трубопроводе выдачи пара, в непосредственной близости от котла, устанавливается запорное устройство.

На котле имеются продувочные штуцера Ду25, Ду15 и Ду10. Штуцер Ду25 предназначен для удаления шлама, образующегося в результате работы котла, периодической продувки котловой воды и для спуска воды в случае необходимости. Штуцер Ду15 предназначен для продувки водомерной колонки. Штуцера Ду10 предназначены для продувки указателей уровня.

В передней части жаровой трубы в верхней части установлена легкоплавкая пробка – предохранительное устройство прямого действия.

На боковой части корпуса устанавливается датчик уровней воды, связанный с паровым и водным пространством котла соединительными трубками не менее Ду25.

На боковой части корпуса устанавливается соединительная труба (колонка), служащая для установки двух указателей уровня, и связанная с паровым и водным пространством котла соединительными трубками не менее Ду25.

На боковой части корпуса внизу у котла имеется ревизия с крышкой, для периодического осмотра состояния поверхностей нагрева со стороны водяного объема.

Схема мазутного парогенератора 2000 кг 130 °С

Схема {{parts_subject_r}}

В передней части жаровой трубы размещена топка, а в задней части - конвективный пучок труб.

В верхней части котла приварен паросборник, представляющий собой полуцилиндр. На паросборной камере устанавливаются предохранительные клапаны и два штуцера Ду15, один для установки электроконтактного манометра, второй для спуска воздуха с котла при заполнении водой при подготовке к работе.

К фронтовой плите котла крепится дизельная горелка для подачи топлива в топку котла через амбразуру.

На задней крышке в основании дымовой трубы выполнен предохранительный взрывной клапан.

Образующиеся в топочной камере продукты сгорания проходят конвективный пучок труб и выводятся через трубу дымовую, установленную на корпусе в хвостовой части котла.

Отвод пара мазутного парогенератора 2000 кг 130 °С

Отвод пара {{parts_subject_r}}

Предохранительные клапаны предназначены для стравливания давления в котле при превышении допустимого значения. На котле установлено самопритирающиеся предохранительных клапана пропускной способностью не менее часовой производительности котле.

Принцип работы клапана состоит в том, что при достижении паром номинального давления избыток пара выходит наружу. Клапана оборудованы ручным приводом для открывания при проверке их на срабатывание.

Щит управления совместно с электрооборудованием предназначен для управления работой мазутного парогенератора 2000 кг 130 °С и защиты его при возникновении аварийных ситуаций. На двери щита расположены сигнальная лампа и органы управления работой котла, с табличками, указывающими их назначение. По месту либо на стенке щита крепится сигнальная сирена.

На паросборной камере устанавливается один электроконтактный манометр. При монтаже манометра, показывающего давление пара в котле, должна быть предусмотрена установка трехходового крана между манометром и сифонным устройством. Допускается установка других устройств, позволяющих контролировать показания рабочего манометра, путем подключения в систему контрольного манометра. Электроконтактный манометр выполняет роль датчика давления и предназначен для отключения дутьевого вентилятора и включения аварийной сигнализации при достижении паром предельно допустимого давления.

Датчик уровней служит для подачи команды на включение и отключение питательного насоса котла в процессе работы.

Указатель уровня воды предназначен для визуального контроля за уровнем воды при работе котла. На корпусе указателя крепится рамка или наносятся метки, указывающие верхний и нижний уровень воды.

Легкоплавкая пробка предназначена для сброса пара во внутренний объем топочной камеры в случае упуска воды ниже аварийного уровня и достижения фактического уровня воды на работающем котле ниже верхней кромки жаровой трубы. При этом легкоплавкая пробка перестает охлаждаться котловой водой и нагревается до температуры газов в топочной камере. Из-за нагрева наполнитель легкоплавкой пробки плавится и выдавливается давлением пара в топочную камеру, при этом сбрасывается давление пара и дополнительно гасится пламя.

Сертификаты и гарантии мазутного парогенератора 2000 кг 130 °С

Гарантийный срок на парогенератор мазутный 2000 кг 130° C 0,17 МПа 24 месяца.

Сертификат на котлы паровые КП
Сертификат на паровые котлы КП

Отзывы о продукции

Другая похожая продукция

Парогенератор на мазуте 2000 кг в час
Парогенератор мазутный 2000 кг 115° C 0,07 МПа
Топливо Жидкое, Мазут
Производительность, кг/ч 2000
Температура пара, не более, °С 115
Давление пара, не более, МПа 0.07
1 893 000 ₽
Парогенератор 2000 кг на мазуте температура 170 С
Парогенератор мазутный 2000 кг 170° C 0,9 МПа
Топливо Жидкое, Мазут
Производительность, кг/ч 2000
Температура пара, не более, °С 170
Давление пара, не более, МПа 0.9
2 465 000 ₽
Парогенератор на мазуте 1600 кг в час
Парогенератор мазутный 1600 кг 130° C 0,17 МПа
Топливо Жидкое, Мазут
Производительность, кг/ч 1600
Температура пара, не более, °С 130
Давление пара, не более, МПа 0.17
Цена по
запросу
Парогенератор на мазуте 2500 кг в час
Парогенератор мазутный 2500 кг 130° C 0,17 МПа
Топливо Жидкое, Мазут
Производительность, кг/ч 2500
Температура пара, не более, °С 130
Давление пара, не более, МПа 0.17
Цена по
запросу